Product Summary
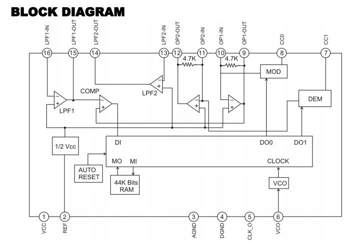
The pt2399 is a single chip echo processor IC utilizing CMOS technology. Which accept analog audio input signal, a high sample rate ADC transfer the analog signal into a bit stream then storage to internal 44Kbit RAM, after processing the bit stream will de-modulate by DAC and lowpass filter. The pt2399 performs low distortion (THD<0.5%@0.5Vrms) and low noise (No<-90dBV) characteristic for audio purpose, and pin arrangement and application circuit are optimized for easy PCB layout and cost saving advantage. The applications of the pt2399 are KARAOKE Mixer, CD/DVD Player/Recorder, Multimedia TV, Car Entertainment System, Music Instrument effecter, Electronics Toy.
Parametrics
pt2399 absolute maximum ratings: (1)Supply voltage:6.5V; (2)Supply current:100mA; (3)Power dissipation: 1.7W; (4)Operation temperature:-40 to +85℃; (5)Storage temperature:-65 to +150℃.
Features
pt2399 features: (1)CMOS technology; (2)Least external components; (3)Auto reset Function prevent POP noise; (4)Low noise, SNR better than 90dB (typical); (5)Low distortion, THD= 0.5%(typical); (6)User adjustable VCO clock frequency.
Diagrams

| Image | Part No | Mfg | Description | ![]() |
Pricing (USD) |
Quantity | ||||
|---|---|---|---|---|---|---|---|---|---|---|
![]() |
![]() PT2399 |
![]() Other |
![]() |
![]() Data Sheet |
![]() Negotiable |
|
||||
| Image | Part No | Mfg | Description | ![]() |
Pricing (USD) |
Quantity | ||||
![]() |
![]() PT2300 |
![]() Other |
![]() |
![]() Data Sheet |
![]() Negotiable |
|
||||
![]() |
![]() PT2301 |
![]() Other |
![]() |
![]() Data Sheet |
![]() Negotiable |
|
||||
![]() |
![]() PT2303 |
![]() Other |
![]() |
![]() Data Sheet |
![]() Negotiable |
|
||||
![]() |
![]() PT2305 |
![]() Other |
![]() |
![]() Data Sheet |
![]() Negotiable |
|
||||
![]() |
![]() PT2307 |
![]() Other |
![]() |
![]() Data Sheet |
![]() Negotiable |
|
||||
![]() |
![]() PT2308 |
![]() Other |
![]() |
![]() Data Sheet |
![]() Negotiable |
|
||||
(China (Mainland))









