Product Summary
The HTP25NP is a PCB Mounting Hall Effect Current Transformer. The applications of the HTP25NP include Variable Speed Drives, Over current Protection, UPS Systems, Robotics, D.C. Power Supplies, Frequency Inverters, Low Frequency Current Measurement ?Power Factor Monitoring.
Parametrics
HTP25NP absolute maximum ratings: (1)Nominal Primary Current: 25A; (2)Turns Ratio: 1000:1; (3)Nominal Power Supply: ±15V, ±5%; (4)Power Supply Current: 14mA per rail +output current; (5)Minimum Load Resistance: 100Ω; (6)Operating Temperature Range: 0℃ to 70℃; (7)Storage Temperature Range: -25℃ to +85℃.
Features
HTP25NP features: (1) High Accuracy; (2)2.5 kV Proof Stress; (3) Fast Response; (4) All Contacts via PCB; (5) Designed in Quality.
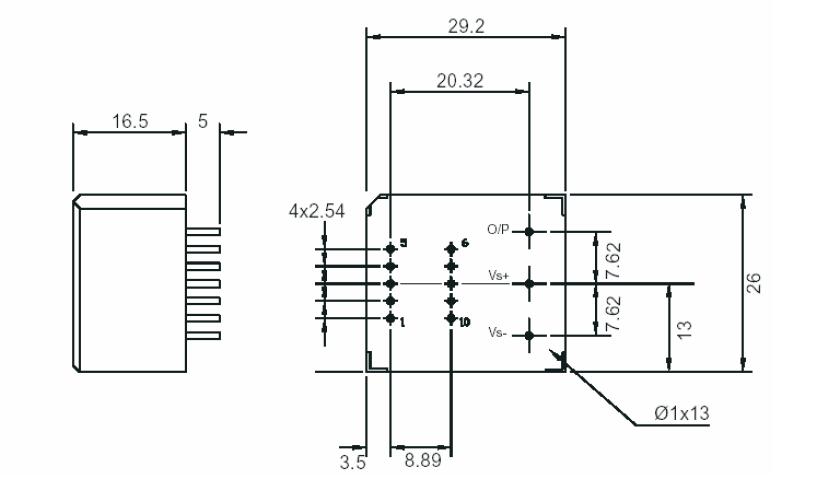
Diagrams

(China (Mainland))






